产品banner
您当前的位置 : 首 页 > 产品中心 > 车表类

JWSH-T119A

2022-09-17 09:48:45
JWSH-T119A
详细介绍:

产品规格确认书


Approved   by
客户签名栏
客户签名
Project   Name&Item
产品名称及编号

JWSH-T119A

Working   Voltage
工作电压
2.4V~3.6V

备注说明(请选择)

LCD选择       ■单排

                    ■双排

                     □多排

Picture

产品样片

表头芯片

Version
版本
V1.0
Remark
备注
1、规格书仅供参考!以实际样品功能为准!
2、以上资料如有更新我司将不另行通知,客户在应用本产品前请确认是否为Z新版本;
3、对于客户的不正确应用所带来的任何后果,我司不承担任何责任!
4、本公司可以根据客户要求对本产品进行改版或重新设计,详情请具体来电垂询!


一、Features ( 产品特性 )

★多窗口表头产品;

★六个按键:[MODE ]、[UP]、[DOWN]、[RECOVERY]、[BODYFAT]、[RESET];

★主要功能包括:TIMER、SPEED、RPM、DIST、CAL、PULSE、HEART RECOVERY、BODYFAT ;

★BOUNDING选择:公、英制,轮周,有无测脂肪功能,有无RPM功能;

★适用:踏步机、健身车、划船器等多种健身仪表。


二、I/O Mapping ( 脚位映射 )

信号及按键脚位定义

名 称 (Name)

脚 位 (I/O)

说 明 (Description)

Pulse En

IOA3

心率板使能脚

Heart-Signal

IOB3

心率板信号输入脚

WirelessHeart-Signal

IOB2

无线心率板信号输入脚

Signal In

IOB4

信号输入脚

Buzzer

IOA6

蜂鸣器输出脚

MODE

IOA0-IOB0

按键: 模式

RESET

IOA0-IOB1

按键: 复位

UP

IOA1-IOB0

按键: 增加

DOWN

IOA1-IOB1

按键: 减少

RECOVERY

IOA2-IOB0

按键:心率恢复

BODYFAT

IOA2-IOB1

按键:测算脂肪

 

Bonding选择脚位定义

名 称 (Name)

脚 位 (I/O)

说 明 (Description)

轮径(mm/英寸)

S1,S2,S3

S1: IOA7-IOB0

S2: IOA7-IOB1

S3: IOA7-IOB2

(S3S2S1)

000: 2121.8/83.44

001:   270.0/10.62

010:   1420.35/55.92

011:   406.4/16.00

100:   1884/74.19

101:   660.4/26.00

110:   63.66/2.510

111:   120.9/4.760

公英制

S4

S4: IOA7-IOB3

0: 公制单位: KM

1: 英制单位: Mile

测脂肪

S5

S5: IOA7-IOA4

0: 有测脂肪功能

1: 无测脂肪功能

RPM

S6

S6: IOA7-IOA5

0: 无RPM功能

1: 有RPM功能

 

 

三、Operation Function ( 功能说明 )

霍尔


上图为LCD版面全部显示图.如下说明:

其中: 1). 第y显示区为测脂设置项目的标识显示区域,从左到右分别为: ‘P’标志, 男性设置标志, 女性设置标志, 身高设置标志, 体重设置标志, 年龄设置标志.

2). 第二显示区为各个设置,测试项目的当前显示区域, 具体显示见下面说明.

3). 第三显示区为测试项目的标识显示区域,从左到右分别为:时间标志,BMR测试标志,速度标志,BMI测试标志,距离标志,脂肪测试标志,卡路里标志,身体类型标志,心率标志,靶心率标志.

4). 第四显示区为各项目的显示区域.

    

1.   上电

上电 LCD 全显 1S,然后进入测脂设置模式(邦定选择要与不要此模式):

性别:男/女;

默认值男。 如下图:


12.png

身高(HEIGHT):

110.0CM~199.5CM,每按一次 UP 或 DOWN 加减 0.5CM; 默认值 175.0CM。

如下图:


13.png

体重(WEIGHT):

10.0~199.8KG,每按一次 UP 或 DOWN 加减 0.2KG; 默认值 70.0KG。如下图:

14.png


年龄(AGE):

10~99 岁,每按一次 UP 或 DOWN 加减 1 岁; 默认值 30 岁。如下图:

15.png

Z后进入扫描(SCAN)模式,LCD 全显的同时会有长“BI”一声。

2.   扫描(SCAN)

每 6 秒钟按顺序循环显示(扫描到对应项目的圆点每一秒闪一次):

SCAN+TIMER→SCAN+SPEED→SCAN+DIST→SCAN+CAL→SCAN+PULSE。

(在扫描模式下,按 UP 或 DOWN 键退出 SCAN 模式锁定当前模式,再次按 UP 或 DOWN键显示锁定下一模式或上一模式。)

显示如下图:


16.png


3.    时间 (TIMER)

测量从开始运动至运动停止时所用的时间。 当有信号进来后,开始计时。

在 4 秒内没有速度信号输入时,时间暂停,显示“P”符号。

设置范围:00:00~99:00 分,每按一次 UP 键,时间分钟加 1;每按一次 DOWN 键,时间分钟减 1,长按快速累加或累减。

设置运动时间,到预定时间时会有连续的 12 声 “BI- BI- BI- BI” 提示音。

4.    速度(SPEED)

测量瞬时速度,测量范围 0.0 ~ 999.9。

如果在 4 秒钟内没有信号输入,速度显示为 0.0。

5.   速度(RPM)

测量瞬时速度,测量范围 0 ~ 9999。

如果在 4 秒钟内没有信号输入,速度显示为 0。

6.   距离/路程 (DIST)

测量从开始运动至运动停止时所运动的距离。 测量范围:0.0 ~999.9;

设置范围: 0.0~999.0,  每按一次 UP 键,距离加 1.0;每按一次 DOWN 键,距离减 1.0, 长按快速累加或累减。

设置运动距离,到预定距离时有连续的“BI- BI- BI- BI” 提示音。

7.   卡路里/热量(CAL)

测量从开始运动至运动停止时所消耗的热量(即卡路里)。

测量范围:0.0 卡~999.9 卡。

设置范围:0.0 卡~999.0 卡。

每按一次 UP 键,卡路里加 1.0;每按一次 DOWN 键,卡路里减1.0;长按快速累加或累减。

设置运动消耗的卡路里,到预定消耗能量时有连续的“BI- BI- BI- BI” 提示音。

8.   心率(PULSE)

通过手握心率传感器,测量人的每分钟心跳次数。 当收到心跳信号后 1~2 秒钟后会显示你当前的心率。 测量过程中收到心跳信号时,心跳符号会闪烁。 4秒无心率信号输入时,心率为显示 P。

设置范围:60~0~220 次/分钟;

每按一次 UP 键,心率加 1;每按一次 DOWN 键,心率减 1;长按快速累加或累减。

设置测量心率范围,测量超出预定设置范围时对应的字符闪烁提示,并有报警声。

NOTE:

两块心率板同时接时,任一板有心率输入都会有心率数据显示,若同时有心率输入时,先有心率的那块板优先显示数据。

9.   待机

4 秒无信号输入时,时间暂停,进入待机模式。

10.  睡眠

4 分钟无信号输入,IC 进入 SLEEP 模式,LCD 关闭。

11. 唤醒

当有距离信号、模式切换信号、设置信号、复位信号输入时,系统开始工作, IC 进入体脂设置模式,Z后进入扫描(SCAN)模式。唤醒后所有数据清零。

当次距离信号、模式切换信号只作唤醒用,不作速度或模式切换用。

12. 设置键 ENTER/RESET(运行时,即有信号或有心率时按键无效)

每按一次设置键,切换到下一种设置模式[TIMER→DIST→CAL→ PULSE],短 按 UP 或 DOWN 键调节数字加或减,长按进入快速累加或累减。

超过 20 秒不按键自动退出设置模式。

按住 ENTER 键 2 秒清零所有数据,且自动转换到 SCAN+TIMER 模式。

按住 ENTER 键 4 秒清零所有数据,全显 1S,IC 进入上电设置模式。

13. 复位键 RESET

在设置状态下,清当前数据或复位到默认数据。

 

14. 上调键 UP

运行状态:短按 UP 键显示下一模式数据且锁定当前模式。

设置状态:短按 UP 键数字累加,长按为快速累加。

15. 下调键 DOWN

运行状态:短按 DOWN 键显示上一模式数据且锁定当前模式。

设置状态:短按 DOWN 键数字累减,长按为快速累减。

16. 心跳恢复键 RECOVERY

心跳恢复功能测试键:测量心跳恢复功能;

按此键,LCD 显示 0:60 开始倒计时并进入心跳恢复功能测量状态,当时间减到 0:00时,蜂鸣器发出“BI- BI- BI- BI”声并显示测试结果(心跳恢复等级)。

 

       F-1.0:Z佳状态,表示心跳恢复到正常值Z快;

F-2.0:很好状态,表示心跳恢复到正常值很快;

F-3.0:较好状态,表示心跳恢复到正常值较快;

F-4.0:一般状态,表示心跳恢复到正常值一般;

       F-5.0:较差状态,表示心跳恢复到正常值较差;

       F-6.0:恶劣状态,表示心跳恢复到正常值很差。

   

触发Recovery按键,若无心率信号的输入,这时系统显示如下:


17.png


倒计8S后,取当前心率为初始值,如下图:

18.png

60S后进入心率恢复测试结果的显示(倒计过程中,可按Recover键退出),如下图:

19.png

测试结果一直显示,可按任何key退出当前心率恢复显示模式。

倒计开始后8秒后无心率信号,显示如下:


20.png

5S后自动退出,或按任意键退出。

17. 测脂(BODYFAT)

体脂参数测量键:当有心率输入时才能测量运动者的体脂参数。有速度信号时此键无效。

按此键,LCD 显示“- - - -”进入测量状态(显示“- - - -”时可按BODYFAT键退出),8S 后,发出“BI- BI- BI- BI”声,显示测试结果(脂肪含量等参数),如下图:

21.png

扫描显示测试结果,每 6 秒钟按顺序循环显示(扫描到对应项目的圆点每一秒闪一次):

SCAN+BMR→SCAN+BMI→SCAN+FAT→SCAN+TYPE→SCAN+T.H.R。

显示2圈后自动退出,或按任意键退出。

测脂开始8秒后无心率信号,显示如下:


22.png

5S后自动退出,或按任意键退出。

18. 声音提示

上电时会长“BI”一声; 每次按键都会有“BI”声;长按不响。

当设置的时间、距离、卡路里归零之后,会有“BI- BI- BI- BI”提示音,在未响完时有击键时提示音停止,当次按键只做提示音停止,不执行按键功能。在倒计报警声响时,不计信号,时间、距离、卡路里值不改变,报警声结束后继续计信号,各值相应变化。


19.计算公式


速度:

Speed(公制):轮径*3.1416*2.54*3600/100000=速度KM/H(60RPM时)

Speed(英制):轮径*3.1416*2.54*3600/100000/1.6=速度ML/H(60RPM时)

距离:

(公制):轮径*3.1416*次数

(英制):轮径*3.1416*2.54/1.6*次数

卡路里:

0002121.8/83.4415卡/公里001270.0/10.6215卡/公里0101420.35/55.9215卡/公里011406.4/16.0015卡/公里1001884/74.1915卡/公里101660.4/26.0015卡/公里11063.66/2.51075卡/公里111120.9/4.76075卡/公里


心率恢复:

P=P1-P2 (P1:按RECOVERY键8秒后的心率值

         P2:倒计到0:00时的心率值)

P≥51F-1.050≥P≥41F-2.040≥P≥31F-3.030≥P≥21F-4.020≥P≥11F-5.010≥PF-6.0


测脂:

1.B.F.%(脂肪百分比)=(1.2*BMI)+(0.23*AGE)-(10.8*SEX)-(5.4*V)

SEX: 男=1 , 女=0.5    ; V=2-[(实测心跳值-50)*0.05]

2.BMI(身体质量指数)=WT(体重)kg/[HI(身高)cm*HI]*10000

3.BMR(基础代谢率):

男BMR(基础代谢率)=66+(13.7*WT)+(5*HI)-(6.8*AGE)

女BMR(基础代谢率)=655+(9.6*WT)+(1.7*HI)-(4.7*AGE)

4.Body TYPE(身体类型)(它主要根据FAT%的含量数值来区分):

序号:显示数值男性FAT%数值女性FAT%数值BODY FAT等级117.0~9.914.0~16.9脂肪非常少,瘦2210.0~12.917.0~19.9脂肪少:健美3313.0~16.920.0~23.9脂肪适中:正常4417.0~19.924.0~26.9脂肪略多:略肥5520.0~24.927.0~29.9脂肪较多:肥胖66>25.0>30.0脂肪很多:太肥

5. T.H.R(目标心跳率)(Target Heart Rate)

   靶心率 T.H.R=(Z大心率HRmax-静态心率)*0.65+静态心率

   注:静态心率:指当时测量时的平均心率。

       Z大心率HRmax=220-年龄

       0.65:表示强度等级(一般在0.5~0.8,现取其中间值)

其他:


四、  LCD Photo (LCD显示) 1/8Duty、1/4bias、3.0V


23.png


PIN

1

2

3

4

5

6

7

8

9

10

11

12

13

14

15

16

17

18

19

20

21

22

23

SEG





S0

S1

S2

S3

S4

S5

S6

S7

S8

S9









S27

CO3




CO3

1F

1A

2F

2A

S3

3F

3A

4F

4A

AGE




CO3

CO3




P1

CO2



CO2


1G

1B

2G

2B

K1

3G

3B

4G

4B

KM



CO2



CO2




CO1


CO1



1E

1C

2E

2C

COL1

3E

3C

4E

4C

MILE


CO1





CO1



CO0

CO0




1D

S1

2D

S2

DP2

3D

DP3

4D

S4

S5

CO0







CO0

P

CO4





21F

21A

22F

22A


23F

23A













CO5





21G

21B

22G

22B


23G

23B













CO6





21E

21C

22E

22C


23E

23C



S12










CO7





21D

DP21

22D

DP22


23D

P5

S11


T.H.R


































PIN

24

25

26

27

28

29

30

31

32

33

34

35

36

37

38

39

40

41

42

43

44

45

46

SEG

S26

S25

S24

S23

S22

S21

S20

S19

S18

S26





S27

S17

S16

S15

S14

S13

S125

S11

S10

CO3

P2

9D

S7

10D

DP10

11D

DP11

12D

BMI







BMR

8D


7D


6D

S6

5D

CO2


9E

9C

10E

10C

11E

11C

12E

12C







8C

8E

7C

7E

6C

6E

5C

5E

CO1

COL2

9G

9B

10G

10B

11G

11B

12G

12B







8B

8G

7B

7G

6B

6G

5B

5G

CO0


9F

9A

10F

10A

11F

11A

12F

12A







8A

8F

7A

7F

6A

6F

5A

5F

CO4


16A

16F

15A

15F

14A

14F

13A

13F


CO4





17F

17A

18F

18A

19F

19A

20F

20A

CO5


16B

16G

15B

15G

14B

14G

13B

13G



CO5




17G

17B

18G

18B

19G

19B

20G

20B

CO6


16C

16E

15C

15E

14C

14E

13C

13E




CO6



17E

17C

18E

18C

19E

19C

20E

20C

CO7


S9

16D

DP15

15D

DP14

14D

S8

13D

P3




CO7

P4

17D

S10

18D

DP18






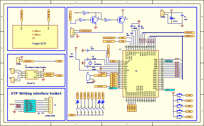
五、Application Circuit ( 应用线路图 )

7.png

注﹕晶振宜选用高精度,位置需尽量靠近IC.


六. Electrical Specification(电气特性)

8.png


七. PAD Assignment ( 绑定脚位图 )

9.png

10.png

上一篇:JWSH-T159A2022-09-17
下一篇:JWSH-T110A2022-09-17

最近浏览:

相关产品

相关新闻

联系我们

联系人:汪先生

手   机:13818541390

座   机:0512-36874515

网   址:www.ksxxdz.com

地   址:江苏省昆山市花桥镇花安路169号中寰广场写字楼935室

Copyright © 昆山歆轩电子有限公司 版权所有 苏ICP备18028124号 - 歆轩,心率,霍尔,蓝牙芯片,单片机,表头芯片,电子产品开发,无线心率,蓝牙产品,SH601