产品banner
您当前的位置 : 首 页 > 产品中心 > 车表类

产品中心 Product

联系我们Contact Us

昆山歆轩电子有限公司

联系人:汪先生

手   机:13818541390

座   机:0512-36874515

网   址:www.ksxxdz.com

地   址:江苏省昆山市花桥镇花安路169号中寰广场写字楼935室

JWSH-T097A

2022-09-17 09:42:06
JWSH-T097A
详细介绍:

产品规格确认书


Approved   by
客户签名栏
客户签名
Project   Name&Item
产品名称及编号

JWSH-T097A

Working   Voltage
工作电压
2.4V~3.6V

备注说明(请选择)

LCD选择       ■单排

                    ■双排

                     □多排

Picture

产品样片

霍尔

Version
版本
V1.0
Remark
备注
1、规格书仅供参考!以实际样品功能为准!
2、以上资料如有更新我司将不另行通知,客户在应用本产品前请确认是否为Z新版本;
3、对于客户的不正确应用所带来的任何后果,我司不承担任何责任!
4、本公司可以根据客户要求对本产品进行改版或重新设计,详情请具体来电垂询!



一、Features ( 产品特性 )

★单排显示表头产品;

★五个按键:[MODE],[UP],[DOWN],[ENTER],[RESET];

★绑定选择速度类产品或计数类产品,轮径,公英制,有无心率板;

★主要功能包括:SCAN、SPEED、DIST、TIME、DOD 、CAL、PULSE. COUNT、RPM等;

★适用:踏步机、健身车、划船器等多种健身仪表。


二、I/O Mapping ( 脚位映射 )

名 称

脚位 (I/O)

S4S3S2S1 = XXXX

轮径(英寸)

DIST DISPLAY

CAL计算方式

S1

IOA0 ---- IOA7

0000

55.76”

0.1

+0.138/count

0001

50.37”

0.1

+0.145/count

0010

16.9”

0.1

+0.049/count

0011

55”

0.1

+0.162/count

S2

IOA1 ---- IOA7

0100

12”

0.1

+0.035/count

0101

78”

0.1

+0.227/count

0110

20”

0.1

+0.049/count

S3

IOA2 ---- IOA7

0111

1”

0.01

+0.006/count

1000

1.7”

0.01

+0.011/count

1001

1.85”

0.01

+0.011/count

1010

2”

0.01

+0.012/count

1011

2.5”

0.01

+0.015/count

1100

3”

0.01

+0.018/count

S4

IOA3 ---- IOA7

1101

1:1 COUNT1


+0.3125/count

1110

1:1 COUNT1


+0.142/count(103)

1111

1:2 COUNT2


+0.284/count

S5

IOA4 ---- IOA7

公英制

0

公制

对计数类无效

1

英制

对计数类无效

S6

IOA5 ---- IOA7

有无心率板

0

有心率板


1

无心率板

不显示不测心率

S7

IOA6 ---- IOA7

心率符号

显示方式

0

无心率信号

显示心率符号


1

无心率信号

不显示心率符号


S8

IOB0 ---- IOA7

速度类选择是ODO或RPM

0

ODO


1

RPM


S9

IOB1 ---- IOA7

无心率是

显示0或P

0

显示0


1

显示P


Signal in

IOB5


-

信号输入脚


Pulse In

IOB6


-

心率板信号输入脚


Wireless

Pulse In

IOB7

-

-

无线心率信号输入脚


Pulse En

IOA0

-

-

心率板使能脚


MODE

IOB0 ---- VDD

-

-

模式键

选择显示项目

UP

IOB1 ---- VDD

-

-

递增键

增加设定值

DOWN

IOB2 ---- VDD

-

-

递减键

减少设定值

RESET

IOB3 ---- VDD

-

-

复位键

设定值清零

ENTER

IOB4 ---- VDD

-

-

设置键

选择设定项目


三、Operation Function ( 功能说明 )

1、    AUTO LCD OFF(HALT) FUNCTION:

    如超过256秒无距离讯号输入或KEY IN,则自动进入SLEEP状态,当有讯号输入或KEY IN可重新工作,且除TIME外所有功能数值皆保留(TIME清零),并处于SCAN FUNCTION(由SCAN TIME功能开始)。注:有心率信号也可进入睡眠

2、    POWER ON FUNCTION:

    当电池装入时,LCD所有图形全显示1秒同时蜂鸣器响一声后,回到SCAN FUNCTION(由SCAN TIME功能开始)。

 

3、    SCAN FUNCTION

3.1、    SCAN功能,每6秒循环显示一个功能。

当SPEED时,           TIME     ODO/RPM    CAL    SPEED   DIST

 当COUNT时,    TIME    TOTAL COUNT    CAL     RPM    COUNT 

4、    TIME:

4.1、    MIN:0分0秒,MAX:99分59秒

4.2、    TIMER区分Count up及Count down计算, TIME无设定时采用Count up计算,有设定值时采用Count down计时。

4.3、    TIME采用Count up计算时,计数范围为0:00~99:59,溢位时归零重新计算。

4.4、    TIME采用Count down 计算时,设定范围为1:00~99:00(设定Time时,秒数自动归零),当Count down到零时,蜂鸣器alarm 12秒48声,同时冻结当时显示TIME画面并停止所有计算显示,若alarm 12秒或UESR压任一按键强制停止alarm后仍有讯号继续输入时,则TIME会重新采用count up方式计时。

4.5、    当无讯号输入后,TIME功能显示会于4秒内停止计时。

 

5、    SPEED:

5.1、  DISPLAY RANGE:0.0~99.9 MPH/KPH。

5.2、  WORKING RANGE:15~3000RPM。

5.3、  计算公式:

            KPH=WHEEL SIZE*2.54*3.1416*RPM*60/100/1000

            MPH=WHEEL SIZE*2.54*3.1416*RPM*60/100/1000/1.60934

5.4、  无讯号输入后,SPEED功能显示会于4秒内将数值归零。

5.5、  显示值超出99.9 MPH/KPH,则显示“E”。

    

6、    DISTANCE

6.1、  DISTANCE区分Count up及Count down计算,DISTANCE无设定时采用Count up计算,有设定值时采用Count down计算。

6.2、  DISTANCE采用Count up计算时,计数范围为0.00~99.99(3”以下尺寸),0.0~999.9(4.88”以上尺寸)KM/MILE,溢位时重新计算,依OPTION 选择KM or MILE。

6.3、  DISTANCE采用Count down计算时,设定范围为1.00~99.00(3”以下尺寸),1.0~999.0(4.88”以上尺寸)KM/MILE (设定DISTANCE时,小数点以下位数自动归零),当Count down到零时,蜂鸣器alarm 12秒48声,同时冻结DIST显示画面并停止所有计算显示,若alarm 12秒或UESR压任一按键强制停止alarm后仍有信号继续输入时,则DISTANCE会重新采用Count up方式计算。

6.4、  DISTANCE依所选之轮径来决定小数点的显示位数计数。

 

7、    COUNT

7.1、  COUNT依绑定选择决定计算方式:

a.     当选择S4S3S2S1=1101 or 1110时为COUNT1。(1 INPUT=1 COUNT)

b.    当选择S4S3S2S1=1111时为COUNT2。(2 INPUT=1 COUNT)

7.2、  COUNT区分Count up及Count down计算,COUNT无设定时采用Count up计算,有设定值时采用Count down计算。

7.3、  当采用Count up计算时,计次范围为0~9999,溢位时归零重新计算。

7.4、  采用Count down计算时,设定范围为10~9990(设定COUNT时,个位数值自动归零),当Count down到零时,蜂鸣器alarm 12秒48声,同时冻结count显示画面并停止所有计算显示,若alarm 12秒或UESR压任一按键强制停止alarm后仍有信号继续输入时,则COUNT会重新采用Count up计算。

 

8、    RPM:

8.1、  WORKING RANGE:15~3000 RPM

8.2、  无讯号输入后,RPM功能显示会于4秒内将数值归零。

 

9、    CALORIES

9.1、    CALORIES区分Count up及Count down计算,无设定时采用Count up计算,有设定值时则采用Count down计算。

9.2、    当采用Count up计算时,计数范围为0.0~999.9,溢位时归零重新计算。

9.3、    采用Count down计算时,设定范围为1.0~999.0(设定CALORIES时,小数值自动归零),当Count down到零时,蜂鸣器alarm 12秒48声,同时冻结CAL显示画面并停止所有计算显示,若alarm 12秒或UESR压任一按键强制停止alarm后仍有信号继续输入时,则CALORIES会重新采用Count up计算。

 

10、 ODO

10.1、 采用Count up计算,其计数范围为0~9999(实际要须如此无小数字),与DISTANCE功能同步计算动作,溢位时归零重新计算。

10.2、 ODO功能不受任何按键执行归零动作,除非REPOWER ON才可将数值清除为零。

 

11、 TOTAL COUNT

11.1、 当采用Count up计算时,计次范围为0~9999,与COUNT功能同步计次动作,溢位时归零重新计算。

11.2、 TOTAL COUNT功能不受任何按键执行归零动作,除非REPOWER ON才可将数值清除为零。

 12、 PULSE

12.1、 显示在PULSE Digital;按MODE key切换到PULSE状态下时,则开启PULSE ENABLE功能,此时方可量测心跳,若连续16秒无心跳讯号输入(无论何种功能模式下),则关闭PULSE ENABLE功能,若于在PULSE 功能下则并同时跳离PULSE状态,回到SCAN FUNCTION(由SCAN TIME功能开始)。

12.2、 其显示范围为40~200,当POWER ON或ALL RESET或PULSE无讯号输入时其数值显示0或P(根据绑定选择)。-要求可用选点来控制为0或P显示:不连点为0,连点时为P显示

12.3、 无线心跳侦测功能于BUZZER 哔时,需HOLD其心跳值及维持心跳MARK FLASH,不去计算alarm时的心跳数值,避免其他的噪声干扰而产生PULSE自跳现象。

12.4、 采用手握心跳及无线心跳共享,分别二个Port输入,(2个信号同时时以手握为先)

12.5、 8秒无心率信号显示0或P, 无心率报警功能

12.6、 心跳符号闪三下出数字,且出字在72-82间,也就是不同时间或不同人测试时开始出的数字不完全一样。若输入讯号大于240以上或小于40以下,均判定为噪声不处理,屏幕固定显示0或P。

12.7、 PULSE IN时,心型符号固定以750ms闪烁一次,每次亮的时间为250ms。

13、 声音指示(Buzzer)

13.1、 于Press Key时,有Bi声62.5ms做press Key时确认指示.

13.2、 当Count  DOWN 至零时,Alarm 12秒48声

               Bi_ Bi _ Bi _Bi * Bi_ Bi _ Bi _Bi * Bi_ Bi _ Bi _Bi

               (Bi=62.5ms, *=500ms,_=62.5ms)

13.3、 蜂鸣器Z大声响频率为2048 HZ,工作周期为1/2 Duty。

14、 KEY FUNCTION

14.1、 MODE KEY:选择速度类产品时,可以选择所需显示的功能状态。

SCAN     TIME     ODO    CAL    PULSE    SPEED  DIST  

 或

SCAN     TIME     RPM    CAL    PULSE    SPEED  DIST  

14.1.1、当选择计数类产品(COUNT功能时)选择顺序如下:

SCAN     TIME     TOTAL CNT     CAL    PULSE     RPM    COUNT        

14.1.2、 若连续按压此键2秒,将所有功能归零(ODO及TOTAL COUNT除外),并回到SCAN FUNCTION(由SCAN TIME功能开始)。

14.2、   ENTER/SELECT KEY:若于无讯号输入STOP状态下,按压此键可以执行各项功能数值之设定。

14.2.1       当OPTION S4S3S2S1=0000~1011(SPEED功能时)选择顺序如下:

                  TIME     CALORIES         DISTANCE   

14.2.2        当OPTION S4S3S2S1=1100~1110(COUNT功能时)选择顺序如下:

                TIME      CALORIES           COUNT    

14.2.3        若于STOP状态下,按此键时依序设定FUNCTION其相对应之LCD FLASH每秒一次,等待输入数值,可压UP or DOWN KEY调整设定值。

14.2.4        若有讯号输入于START状态下,按压此键可以选择各项功能显示。

                  选择速度类产品时,可以选择所需显示的功能状态:

SCAN      TIME      ODO     CAL     (PULSE)     SPEED  DIST   

或 若绑定选择为无心率板,要跳过PULSE

SCAN      TIME      RPM      CAL      PULSE    SPEED   DIST  

当选择计数类产品(COUNT功能时)选择顺序如下:

SCAN     TIME      TOT CNT      CAL   PULSE     RPM     COUNT       

 14.2.5      若于无讯号输入STOP状态下,若连续按压此键2秒,将所有功能归零(ODO及TOTAL COUNT除外),并回到正常显示(SCAN模式)。

在设置状态下,短按MODE键无效。20秒无按键自动退出设置状态。

14.3、   UP key

14.3.1、      于TIME设定状态,可压此键做往上加1之设定,其默认值为0:00

                 0:00→1:00→…→98:00→99:00

14.3.2、      于DISTANCE设定状态,可压此键做往上加1之设定,其默认值0.0

                  0.0(0.00)→ 1.0→ …→ 998.0(98.0)→999.0(99.0)

14.3.3、      于CAL设定状态,可压此键做往上加10之设定, 其默认值为0.0

                0.0→ 10.0→ …→ 9980→9990

14.3.4、      于COUNT设定状态,可压此键做往上加10之设定,其默认值为0

               0→10→20→…→9970→9980→9990

14.4、   DOWN key

14.4.1、      于TIME设定状态,可压此键做往下减1之设定,其默认值为0:00

                   0:00→99:00→98:00→…→1:00

14.4.2、      于DISTANCE设定状态,可压此键做往下减1之设定,其默认值0.0

                  0.0(0.00)→999.0(99.0)→998.0(98.0)→…→1.0

14.4.3、      于CALORIES设定状态,可压此键做往下减10之设定, 其默认值为0.0

               0.0→9990→9980→…→…→10.0

14.4.4、      于COUNT设定状态,可压此键做往下减10之设定,其默认值为0

14.5、   RESET key

14.5.1、      在STOP的状态下,按压此键可将所有功能的设定值及累计值重置(TOTAL COUNT及ODO除外),并回到SCAN FUNCTION(由SCAN TIME功能开始)。

14.5.2、    于各个功能之设定状态时,若按压此键,仅将该设定值RESET;如TIME、DISTANCE、CALORIES及COUNT值。

14.6、   RESET功能:

14.6.1、      MODE key连续按压2秒,将所有功能重置(TOTAL COUNT及ODO除外),并回到SCAN FUNCTION(由SCAN TIME功能开始)。

14.6.2、      停止状态下ENTER key连续按压2秒,将所有功能重置(TOTAL COUNT及ODO除外),并回到SCAN FUNCTION(由SCAN TIME功能开始)。

14.6.3、      RESET key按压1下,将所有功能重置(TOTAL COUNT及ODO除外),并回到SCAN FUNCTION(由SCAN TIME功能开始)。

15、LCD自检模式

长按MODE键6秒,进入LCD自检模式,在此状态下不检测任何信号,

按任意按键退出该模式,此模式不进入睡眠


四、  LCD Photo (LCD显示) 1/8Duty、1/4bias、3.0V

歆轩


歆轩


参数:1/3Duty、1/3bias、3.0V

SPEED功能    Scan   speed      dist.   time  odometer      cal  pulse…   绑定为ODO

SPEED功能    Scan   speed      dist.   time    rpm        cal  pulse…   绑定为RPM

COUNT功能        Scan    rpm  count      time  total count  cal      pulse…


蓝牙芯片


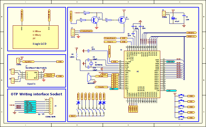
五、Application Circuit ( 应用线路图 )

7.png

注﹕晶振宜选用高精度,位置需尽量靠近IC.


六. Electrical Specification(电气特性)

8.png


七. PAD Assignment ( 绑定脚位图 )

9.png

10.png

上一篇:JWSH-T110A2022-09-17
下一篇:JWSH-T096A2022-09-17

最近浏览:

相关产品

相关新闻

联系我们

联系人:汪先生

手   机:13818541390

座   机:0512-36874515

网   址:www.ksxxdz.com

地   址:江苏省昆山市花桥镇花安路169号中寰广场写字楼935室

Copyright © 昆山歆轩电子有限公司 版权所有 苏ICP备18028124号 - 歆轩,心率,霍尔,蓝牙芯片,单片机,表头芯片,电子产品开发,无线心率,蓝牙产品,SH601