

产品规格确认书
| Approved by 客户签名栏 | 客户签名 |
| Project Name&Item 产品名称及编号 | JWSH-T062A |
| Working Voltage 工作电压 | 2.4V~3.6V |
备注说明(请选择) | LCD选择 ■单排 ■双排 □多排 |
Picture 产品样片 |
|
| Version 版本 | V1.0 |
| Remark 备注 | 1、规格书仅供参考!以实际样品功能为准! |
| 2、以上资料如有更新我司将不另行通知,客户在应用本产品前请确认是否为Z新版本; | |
| 3、对于客户的不正确应用所带来的任何后果,我司不承担任何责任! | |
| 4、本公司可以根据客户要求对本产品进行改版或重新设计,详情请具体来电垂询! |
一. Features ( 产品特性 )
★多窗口表头产品
★五个按键: [MODE ]、[UP]、[DOWN]、[RECOVERY]、[RESET]
★主要功能包括:TIMER、SPEED、RPM、DIST、CAL、PULSE、HEART RECOVERY等
★Auto Sleep for saving current in Temperature Display
★BOUNDING选择:公、英制,轮周,有无时间日期温度功能等。
★适用:踏步机、健身车、划船器等多种健身仪表。
二、I/O Mapping ( 脚位映射 )
信號及按鍵腳位定義
名 称 (Name) | 脚 位 (I/O) | 说 明 (Description) |
Pulse En | IOA2 | |
Heart-Signal | IOB3 | 心率板信号输入脚 |
WirelessHeart-Signal | IOB2 | 无线心率板信号输入脚 |
Signal In | IOB4 | 信号输入脚 |
Buzzer | IOA6 | 蜂鸣器输出脚 |
Temperature | IOA1 | 温度检测脚 |
IOA3 | 温度检测脚 | |
IOA5 | 温度检测脚 | |
MODE | IOA4-IOB1 | 按键: 模式+设置 |
RECOVERY | IOA0-IOB0 | 按键:心率恢复 |
UP | IOA4-IOB0 | 按键: 增加+模式切换 |
DOWN | IOA0-IOB0&1 | 按键: 减少+模式切换 |
RESET | IOA0-IOB1 | 按键: 复位 |
Bonding選擇腳位定義
名 称 (Name) | 脚 位 (I/O) | 说 明 (Description) |
轮径(mm/英寸) S1,S2,S3 | S1: IOA7-IOB0 S2: IOA7-IOB1 S3: IOA7-IOB2 | 000: 120.9/4.760 |
001: 63.66/2.510 | ||
010: 660.4/26.00 | ||
011: 1884/74.19 | ||
100: 406.4/16.00 | ||
101: 1420.35/55.92 | ||
110: 270.0/10.62 | ||
111: 2121.8/83.44 | ||
公英制 S4 | S4: IOA7-IOB3 | 0: 公制单位: KM |
1: 英制单位: ML | ||
时间日期温度 S5 | S5: IOA7-IOA2 | 1: 有时间温度功能 |
0: 无时间温度功能 | ||
RPM S6 | S6: IOA7-IOA6 | 0: 无RPM功能 |
1: 有RPM功能 |
三、Operation Function ( 功能说明 )

上图为LCD版面全部显示图.如下说明:
其中: 1. 第y显示区为各个基本设置项目的显示区域,从左到右分别为: Stop标志, Scan标志, Bodyfat测试标志, 计划项目(此标志在系统中没有用到), BMI测试标志,男性设置标志,女性设置标志, 年龄设置标志, 身高设置标志, 体重设置标志.
2. 第二显示区为各个设置,测试项目的显示区域, 具体显示见下面说明.
3. 第三显示区为各个运动项目的显示区域,包SPEED,TIME,DISTANCE,CALORIES,
PULSE.
1.上电
上电 LCD 全显 1S(如下图)

LCD 全显的同时会有长“BI”一声。
显示轮径后,上排大窗口显示温度,小窗口显示万年历。
TIME:小时、分钟
DISTANCE:日、月
KJOULE:年
2. 扫描(SCAN)
每 6 秒钟按顺序循环显示:
SCAN+ SPEED→SCAN+ TIMER→SCAN+DIST→SCAN+CAL→SCAN+PULSE。
(在扫描模式下,按 UP 或 DOWN 键退出 SCAN 模式锁定当前模式;在扫描模式下,按 MODE 键退出 SCAN 模式锁定当前模式并可设置;在锁定模式下,按 MODE 键显示锁定下一模式并可设置,在非 SPEED 模式,按 UP 或 DOWN 键进入 当前数值加减)
按MODE键对所选项目进行切换或者设置。选定当前项目,但是还没有确认的话,所选项目或者设置值以1Hz频率进行闪烁.直到按MODE键进行确认为止.若没有确认,将一直保持当前模式进行等待,等待过程中,如果有感应信号进入,那么系统直接进入功能测试模式,各设置项目按照默认处理.
按MODE键确认当前选项.并且进入下一个设置项目.
当系统处于设置模式的时候,不管感应信号什么时候进来,系统马上从设置模式进入到测试模式。
3.时间 (TIMER)
测量从开始运动至运动停止时所用的时间。 当有信号进来后,开始计时。
在 4 秒内没有速度信号输入时,时间暂停,显示“P”符号。
设置范围:00:00~99:00 分,每按一次 UP 键,时间分钟加 1;每按一次 DOWN 键,时间分钟减 1,长按快速累加或累减。
设置运动时间,到预定时间时会有连续的 12 声 “BI- BI- BI- BI” 提示音。
4.速度(SPEED)
测量瞬时速度,测量范围 0.0 ~ 99.9。超出范围则显示 99、9
如果在 4 秒钟内没有信号输入,速度显示为 0.0。
5.速度(RPM)(绑定选择有无)
测量瞬时速度,测量范围 0 ~ 999。超出范围则显示 999如果在 4 秒钟内没有信号输入,速度显示为 0。SPEED和RPM每隔5秒切换一次。
6. 距离/路程 (DIST)
测量从开始运动至运动停止时所运动的距离。
测量范围:0.0 ~99.99;
设置范围:0.00~99. 50, 每按一次 UP 键,距离加 0.5;每按一次 DOWN 键,距离减 0.5, 长按快速累加或累减。
设置运动距离,到预定距离时有连续的“BI- BI- BI- BI” 提示音,
7. 卡路里/热量(CAL)
测量从开始运动至运动停止时所消耗的热量(即卡路里)。
测量范围:0 卡~9990 卡。每按一次 UP 键,卡路里加 10;每按一次 DOWN 键,卡路里减10;长按快速累加或累减。 设置运动消耗的卡路里,到预定消耗能量时有连续的“BI- BI- BI- BI” 提示音。
8. 心率(PULSE)
通过手握心率传感器,测量人的每分钟心跳次数。 当收到心跳信号后 1~2 秒钟后会显示你当前的心率。 测量过程中收到心跳信号时,心跳符号会闪烁。 无心率信号输入时,心率为显示 0。
设置范围:0~40~240 次/分钟。每按一次 UP 键,心率加 1;每按一次 DOWN 键,心率减 1;长按快速累加或累减。 设置测量心率范围,测量超出预定设置范围时对应的字符闪烁提示。设置心率10秒没有继续动作,返回到正常模式。
NOTE:两块心率板同时接时,任一板有心率输入都会有心率数据显示,若同时有心率输入时,先有心率的那块板优先显示数据。
9. 待机
4 秒无信号输入时,时间暂停,进入待机模式。
10. 睡眠
4 分钟无信号输入,IC 进入 SLEEP 模式,LCD 显示年、月、日,当前时间及环境温度(邦定选择要与不要此功能。)
11.唤醒
当有距离信号、模式切换信号、设置信号、复位信号输入时,系统开始工作,保持睡眠前模式。
当次距离信号、模式切换信号只作唤醒用,不作速度或模式切换用。
12.设置键 MODE, 每按一次设置键,切换到下一种设置模式[TIMER→DIST→CAL→ (PULSE)à(SPEED)],短按UP 或 DOWN 键调节数字加或减,长按进入快速累加或累减。
按住 MODE键 2 秒清零所有数据,且自动转换到SCAN+ TIMER 模式。
13.复位键 RESET
在设置状态下,清当前数据或复位到默认数据。
14.上调键 UP
运行状态:切换模式。
设置状态:短按 UP 键数字累加,长按为快速累加。
15.下调键 DOWN
运行状态:切换模式。
设置状态:短按 DOWN 键数字累减,长按为快速累减。
注:设置时间、距离、卡路里、心率时,相应的上下两个数字闪烁,对应图标不闪烁。10秒钟无任何按键动作退出设置,回到正常模式。有信号输入也可回到正常模式,在设置模式下,心率信号输入无效。
16.心跳恢复键 RECOVERY
心跳恢复功能测试键:当有手握信号输入时才能测量心跳恢复功能。
按此键,LCD 显示 00:60 开始倒计时并进入心跳恢复功能测量状态,显示测试结果(心跳恢复等级)。
F1.0~F1.9:Z佳状态,表示心跳恢复到正常值Z快;
F2.0~F2.9:很好状态,表示心跳恢复到正常值很快;
F3.0~F3.9:较好状态,表示心跳恢复到正常值较快;
F4.0~F4.9:一般状态,表示心跳恢复到正常值一般;
F5.0~F5.9:较差状态,表示心跳恢复到正常值较差;
F6.0~F6.9:恶劣状态,表示心跳恢复到正常值很差。
a. 有Recovery按键触发的话,同時沒有心率的輸入,系统不进入心率回复测试。
b. 有Recovery按键触发,同时有心率信号的输入,这时系统显示如下:

倒计60S后,进入心率恢复测试结果的显示,如下图:

按任何key退出当前心率恢复显示模式。
C、进入心率恢复测试,开始倒计时间后,5秒钟没有心率输入,则显示下图:
5s后自动退出到之前的模式, 手按Recovery按键也退出ERROR模式.

17. 声音提示
上电时会长“BI”一声; 每次按键都会有“BI”声;长按不响。
当设置的时间、距离、卡路里归零之后,会有 “BI- BI- BI- BI” 提示音,在未响完时有按 键输入时提示音停止,当次按键只做提示音停止,不执行按键功能。心率恢复模式下无任何报警声。时间、距离、卡路里到零报警的同时显示切换到相应报警模式下。
18. CAL 计算方式
000 | 120.9/4.760 | 75 卡/公里 |
001 | 63.66/2.510 | 75 卡/公里 |
010 | 660.4/26.00 | 15 卡/公里 |
011 | 1884/74.19 | 15 卡/公里 |
100 | 406.4/16.00 | 15 卡/公里 |
101 | 1420.35/55.92 | 15 卡/公里 |
110 | 270.0/10.62 | 75 卡/公里 |
111 | 2121.8/83.44 | 15 卡/公里 |
19. 时间温度
同时按下MODE和UP键进入时间温度功能显示温度和万年历。在心率回复模式下不可切换时间模式。时间模式下唤醒后进入一般模式。
4分钟后进入时间温度功能.温度和万年历如下显示:

四、LCD Photo (LCD显示) 1/8Duty、1/4bias、3.0V

PIN | 1 | 2 | 3 | 4 | 5 | 6 | 7 | 8 | 9 | 10 | 11 | 12 | 13 | 14 | 15 | 16 | 17 | 18 | 19 | 20 | 21 | 22 |
SEG | S0 | S1 | S2 | S3 | S4 | S5 | S6 | S7 | S8 | S9 | S10 | S11 | S12 | S13 | ||||||||
C7 | P | SCAN | FAT | PRO | BMI | S1 | S2 | AGE | HEI | WEI | C7 | 18D | 19D | |||||||||
C6 | C6 | 18E | 18C | 19E | 19C | |||||||||||||||||
C5 | C5 | 18G | 18B | 19G | 19B | |||||||||||||||||
C4 | C4 | 18F | 18A | 19F | 19A | |||||||||||||||||
C3 | 1D | COL1 | 2D | DP2 | 3D | DP3 | 4D | C3 | 17A | 17F | 16A | 16F | ||||||||||
C2 | 1E | 1C | 2E | 2C | 3E | 3C | 4E | 4C | C2 | 17B | 17G | 16B | 16G | |||||||||
C1 | 1G | 1B | 2G | 2B | 3G | 3B | 4G | 4B | C1 | 17C | 17E | 16C | 16E | |||||||||
C0 | 1F | 1A | 2F | 2A | 3F | 3A | 4F | 4A | C0 | 17D | CAL | 16D | M | |||||||||
PIN | 23 | 24 | 25 | 26 | 27 | 28 | 29 | 30 | 31 | 32 | 33 | 34 | 35 | 36 | 37 | 38 | 39 | 40 | 41 | 42 | 43 | 44 |
SEG | S14 | S15 | S16 | S17 | S18 | S19 | S20 | S21 | S22 | S23 | S24 | S25 | S26 | S27 | ||||||||
C7 | 20D | PUL | 21D | 22D | 5F | 5A | 6E | 6A | 7E | 7A | 8F | 8A | C7 | |||||||||
C6 | 20E | 20C | 21E | 21C | 22E | 22C | 5G | 5B | 6F | 6B | 7F | 7B | 8G | 8B | C6 | |||||||
C5 | 20G | 20B | 21G | 21B | 22G | 22B | 5E | 5C | 6G | 6C | 7G | 7C | 8E | 8C | C5 | |||||||
C4 | 20F | 20A | 21F | 21A | 22F | 22A | RPM | 5D | SPD | 6D | DP4 | 7D | 8D | C4 | ||||||||
C3 | 15A | 15F | 14A | 14F | 13A | 13F | 12A | 12F | 11A | 11F | 10A | 10F | 9A | 9F | C3 | |||||||
C2 | 15B | 15G | 14B | 14G | 13B | 13G | 12B | 12G | 11B | 11G | 10B | 10G | 9B | 9G | C2 | |||||||
C1 | 15C | 15E | 14C | 14E | 13C | 13E | 12C | 12E | 11C | 11E | 10C | 10E | 9C | 9E | C1 | |||||||
C0 | 15D | K | 14D | DP5 | 13D | DIS | 12D | 11D | 10D | COL2 | 9D | TIME | C0 |
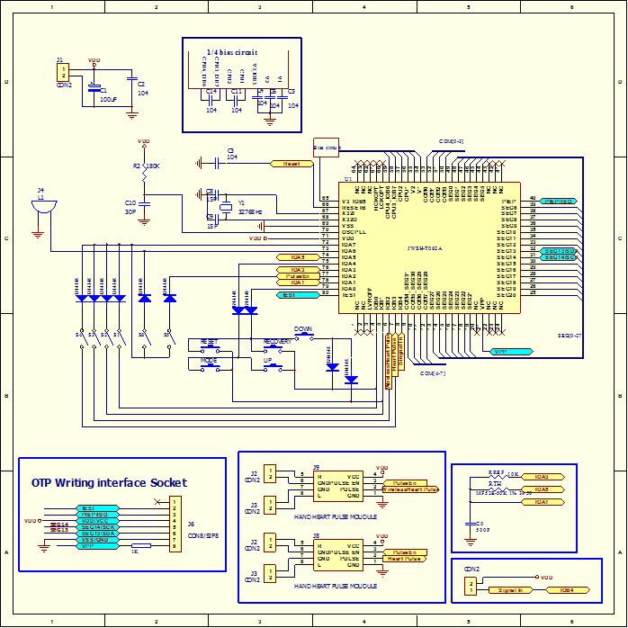
五、Application Circuit ( 应用线路图 )

注﹕晶振宜选用高精度,位置需尽量靠近IC.
六. Electrical Specification(电气特性)

七. PAD Assignment ( 绑定脚位图 )


联系人:汪先生
手 机:13818541390
座 机:0512-36874515
网 址:www.ksxxdz.com
地 址:江苏省昆山市花桥镇花安路169号中寰广场写字楼935室