

产品规格确认书
| Approved by 客户签名栏 | 客户签名 |
| Project Name&Item 产品名称及编号 | JWSH-C707A |
| Working Voltage 工作电压 | 6V~9V |
备注说明(请选择) | LCD选择 ■单排 ■双排 □多排 |
Picture 产品样片 | ![]() |
| Version 版本 | V1.0 |
| Remark 备注 | 1、规格书仅供参考!以实际样品功能为准! |
| 2、以上资料如有更新我司将不另行通知,客户在应用本产品前请确认是否为Z新版本; | |
| 3、对于客户的不正确应用所带来的任何后果,我司不承担任何责任! | |
| 4、本公司可以根据客户要求对本产品进行改版或重新设计,详情请具体来电垂询! |
一. Features ( 产品特性 )
★共可接六个按键[ENTER],[MODE], [START/STOP], [UP], [DOWN], [RECOVERY];
★可搭配有线、无线心率板测试心率;
★主要功能包括时间、速度/RPM切换显示、距离、卡路里/瓦特切换显示、心率、心率恢复、脂肪测试、H.R.C功能(55%、75%、85%)、倒计报警。
★自动检测电机或电机驱动好坏。
二、I/O Mapping ( 脚位映射 )
| 名 称 (Name) | 脚 位 (I/O) | 说 明 (Description) |
| HeartPin | PE7 | 心率板信号输入脚 |
| WirelessHeartPin | PD2 | 无线心率板信号输入脚 |
| Pulse En | IOA3 | 心率板使能脚 |
| Signal In | PE6 | 信号输入脚 |
| MODE键 | INE0-VDD | 切换模式 |
| START/STOP键 | INE2-VDD | 启动或停止磁控表 |
| ENTER键 | INE3-VDD | 进入设置模式 |
| UP键 | INE5-VDD | 增加设置参数数据 |
| DOWN键 | INE4-VDD | 减少设置参数数据 |
| RECOVERY键 | INE1-VDD | 打开心率恢复功能 |
| Buzzer | PD0 | 输出声音 |
| AD口 | PA0 | 马达电位器AD口 |
| SDA | PD5 | IIC通讯线 |
| SCL | PD4 | IIC通讯线 |
| Motor Drive | PD1 | 马达驱动线 |
| PD3 | ||
| 轮径(英寸)/轮周(cm) S2,S3 | S2: PC1-VDD S3: PC2-VDD S3S2=XX | 00: 78英寸/622 cm |
| 01: 54英寸/430cm | ||
| 10: 10英寸/81cm | ||
| 11: 30英寸/235cm | ||
| 公英制 S1 | S1: PC0-VDD | 0: 公制 |
| 1: 英制 | ||
| LED | PC3 | LED背光板驱动口 |
三、Operation Function ( 功能说明 )
(一) 按键功能
1、START/STOP key: 起动/停止磁控表
1.1 STOP时按此键,进入START状态,马达正转至PROGRAM 设定值,且启动Signal 侦测.
1.2 START时按此键,进入STOP状态,马达回到初始位置,且停止Signal 侦测
1.3 连续压此键2 秒,则可执行RESET 功能,内部存储器重置为default value。
2、ENTER/MODE KEY:
2.1 于STOP 时,压ENTER 键进入设置状态,其操作流程如下:
PROGRAM→TIME→DISTANCE→CAL→TARGET H.R
2.2 于STRAT 时,可压此键无效
3、▲ UP KEY // ▼ DOWN KEY:
3.1 于STOP 时,可压此键依序往上、往下选择PROGRAM
3.2 于START MODE 时,可压此键依序往上、往下做LOAD LEVEL之调整,直到LEVEL 16 或者 LEVEL 1.
于TIME 设定状态,可压此键做加减一之设定. 其默认值为:0:00,
范围 00:00~99:00 每次加减 1:00 分钟
于DISTANCE 设定状态,可压此键做加减一之设定. 其默认值为:0.00 ,
范围0.00~99.9 每次加减0.10 单位
于CALORIE 设定状态,可压此键做加减一之设定. 其默认值为:0.0 ,
范围0.0~999 每次加减1.0 单位
可增加TARGET H,R(目标设定值)的设定值,其默认值为0
设定范围 60~220 每次加减1单位
4、Recovery Key:
4.1 有心率时压此键即进入PULSE RECOVERY 功 ,再压此键退出RECOVERY,
(二) 功能说明
上电全线一秒并“滴”一声,进入正常模式。
1. TIME(时间):
1.1 Time 区分count up 及count down 计算,Time 无设定时采count up 计算,有设定时,并采count down 计时.
1.2 Time 采count up 计算时,计数范围为0:00 ~ 99:59 溢位归零重新计算.
1.3 Time 采count down 计算时,设定范围为1:00~99:00 ,于MANUAL 每次增减一分钟,当count down 到零时,alarm 8秒长鸣,并自动跳至STOPMODE 状态,若重新压START 时,则重新采count up.
2. SPEED(速度)/RPM(转速):
2.1 速度 DISPLAY RANGE : 0.0 ~ 999 MPH/KPH.
RPM DISPLAY RANGE:0~999转/分钟.
2.2 无讯号输入时,4 秒归零.清零后d一个信号不作任何数据计算,只作唤醒作用。
2.3在STOP状态下显示SPEED,在START状态下自动SCAN显示SPEED/RPM(6秒自动切换显示SPEED/RPM).
2.4按下ENTER键,可以切换SCAN SPEEDàSPEEDàRPMàSCAN SPEED
2.5在自动扫描SPEED和RPM时,功能符号会闪烁显示。
3. DISTANCE(距离):
3.1 Distance 区分count up 及count down 计算, Distance 无设定时采count up 计算,其设定时采count down 计算.
3.2 Distance 采count up 计算时,计数范围为0.00~99.9 Km/Mile,溢位归零重新计算.
3.3 Distance 采count down 计算时,设定范围为1.00~99.9 Km/Mile ,当count down 到零时,alarm 8 秒长鸣,并自动跳至STOP MODE 状态,(设定Distance 时,小数点下一位自动归零), 若重新压START 时,则DISTANCE 归零重新采count up 累加计时.
3.4 Distance count down Z小设定值为0.10 Km/Mile.
4. CALORIES (卡路里):
4.1 Calories区分count up 及count down 计算, Distance 无设定时采count up 计算,其设定时采count down 计算
4.2 采count up 计算时,计数范围为0.0~999,溢位归零重新计算
4.3 采count down 计算时,设定范围为1.0~999 ,当count down 到零时,alarm 8 秒长鸣,并自动跳至STOP MODE 状态,(设定Distance 时,小数点下一位自动归零), 若重新压START 时,则DISTANCE 归零重新采count up 累加计时.
4.4 Calories 计算公式如下:
1. Dist轮周4303mm(1370)
CAL=Count*LEVEL*0.05 (LEVEL=1,2,3,4,5,6,7,8)
2. Dist轮周6000mm(1:1)
CAL=Count*LEVEL*0.07 (LEVEL=1,2,3,4,5,6,7,8)
3. Dist轮周811mm(1:7)
CAL=Count*LEVEL*0.009 (LEVEL=1,2,3,4,5,6,7,8)
4. Dist轮周2350mm(17K)
CAL=Count*LEVEL*0.027 (LEVEL=1,2,3,4,5,6,7,8)
5. WATT(功率) (LEVEL=1~16)
5.1 计算公式:WATT=(2.1+(LEVEL-1)*0.45)*V+5.8*LEVEL+12
5.2 在定WATT模式下可以设置WATT值,WATT初始值為200.(设置范围:30.0~350)。在其他模式下显示即时WATT值。
5.3 点阵图形为原P1(MANUAL)。
5.4 在定WATT模式下,LEVEL值每15秒调整一次
WATT值小于90%设定值时,LEVEL值减一,
WATT值小于110%设定值时,LEVEL值加一,
WATT和设定值差小开10%时,LEVEL值不变。
WATT显示可与CALORIES切换,
5.5 在P14模式時,STOP狀態下顯示WATT以示區別,其他模式時STOP状态下显示CALORIES。
在START状态下6秒自动扫描,按ENTER键可以切换
SCAN CALORIESàCALORIESàWATTàSCAN CALORIES
5.6 在自动扫描CALORIES和WATT时,功能符号会闪烁显示。
6. Pulse 心率
通過手握心率感測器,測量人的每分鐘心跳次數。 當收到心跳信號後 1~2 秒鐘後會顯示你當前的心率。 測量過程中收到心跳信號時,心跳符號會閃爍。 無心率信號輸入時,心率為顯示 P。
7.Pulse Recovery(心跳回复值侦测):
有心率且STOP时,Recovery键进入, 其计算公式为
F=﹛6-﹝10*﹙P1-P2﹚/P1﹞*﹝10*﹙P1-P2﹚/P1﹞﹜
8. SLEEP MODE:
8.1. 当4分钟未输入SPEED 讯号,或压任何键时,则进入SLEEP MODE。
8.2. 压任何键或输入SPEED 讯号,则回到正常开机状态,且全显两秒所有数据清零。
9. POWERON MODE:
上电全显两秒在全显过程中若有ENTER键按下,则显示轮周和公英制一秒。
10..RESET MODE
若连续压ENTER key两秒以上,则可执行RESET功能,将所有功能回到开机状态.
(三)、各个Program(12) 之PROFILE : LEVEL(16)
1. PROGRAM 1 (MANUAL):
Level. 6à6à6à6à6à6à6à6à6à6
2. PROGRAM 2
Level. 6à8à10à8à6à8à10à8à6à8
3. PROGRAM 3
Level. 10à10à8à6à4à2à4à6à8à10
4. PROGRAM 4
Level. 2à4à6à8à10à10à8à6à4à2
5. PROGRAM 5
2à4à6à8à10à12à12à10à8à6
6. PROGRAM 6
Level. 4à6à8à4à6à8à4à6à8à4
7. PROGRAM 7
Level. 6à8à6à8à6à8à6à8à6à8
8. PROGRAM 8
Level. 4à4à6à6à8à8à10à10à12à12
9. PROGRAM 9
Level. 4à6à8à8à8à8à8à8à6à4
10. PROGRAM 10
Level. 4à8à8à8à8à10à4à6à8à10
11. PROGRAM 11
Target H.R.C模式(该模式下可设置目标心率值)
12. PROGRAM 12
体脂测试模式
1. FAT=f(Pulse)*Weight+f(Age)+f(Height)+3.5*f(Sex) ;
如果(FAT%>50.0%) 显示为 fat%=50.0%
f(Pulse)= 3+(pusle-40)*0.0022
f(Age)= Age/10
f(Height)= 25 - 1.5*(Height-175) ;
f(Sex)= | if(Sex=man) { f(sex)=0 } ;
| if(Sex=woman) { f(sex)=3.5 }
FAT%=FAT/100
1. 性别 Man or Woman--------------------Man
2. 体重 10.0 <= Weight < 200.0 (kg)----70.0Kg
3. 身高 40.0 <= Height < 200.0 (cm)----175.0cm
4. 年龄 10 <= Age <=99------------------30
FAT模式下用戶設置的性別、體重、身高、年齡等信息掉電保存。
2. BMR=54.3+(13.88×體重公斤)+(4.16×身高公分)-(3.43×年齡歲數)-(112.4×性別因數,男性0,女性1)
3. BMI=WEIGHT/(HEIGHT平方)
4. 55%H.R.C(PROGRAM 15)、75%H.R.C(PROGRAM 16)、85%H.R.C(PROGRAM 17)
计算公式:THR=(220 - AGE)*n%, n=55,75,85
在H.R.C模式下可以设置AGE,设置方式为:
PxàTIMEàDISTàCALàAGEàPx
如在设置AGE完成后,按START窗口显示TIME。
THR初始值用FAT測試中的年齡(掉電保存)來初始化THR.再此時設置的年齡保存到FAT測試年齡中,HRC中設置的THR值掉電保存。
PULSE值小于94%THR时,LEVEL加一,
PULSE值大于106%THR时,LEVEL減一,
PULSE和设置值差小开6%LEVEL时,值不变。
当无心率是LEVEL值不变。
PULSE窗口,无心率时显示THR,有心率时显示PULSE
5 .Target H.R.C(PROGRAM 18)
在这个功能下可以设置THR,设置方式如下:
按ENTER切换到THR。
PxàTIMEàDISTàCALàTHRàPx
如在设置THR完成后,按START窗口显示的是TIME.
PULSE值小于94%THR时,LEVEL加一,
PULSE值大于106%THR时,LEVEL減一,
PULSE和设置值差小开6%LEVEL时,值不变。
当无心率时LEVEL值不变
在START时,初始LEVEL值为1,
在STOP时,LEVEL显示心图形。
(四)、MOTOR之自动保护功能:
1. 于正常运动状态中,当LOAD LEVEL改变时,若连续5秒以上无CHECK到VR A/D时,则自动切断马达之Driver(停止输出).
2. 连续check 5秒后,若连续LOAD LEVEL的改变马达均无反应,输出讯号均切断.
3、电机侦测出错后,LCD显示”E2”,只有重新上电后各项功能才可恢复。
注:具体详细功能以实际样品为准。
四、 LCD Photo (LCD显示) 1/4Duty、1/3bias、3.0V

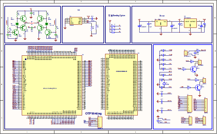
五、Application Circuit ( 应用线路图 )

注﹕晶振宜选用高精度,位置需尽量靠近IC.
六. PAD Assignment ( 绑定脚位图 )




联系人:汪先生
手 机:13818541390
座 机:0512-36874515
网 址:www.ksxxdz.com
地 址:江苏省昆山市花桥镇花安路169号中寰广场写字楼935室