产品banner
您当前的位置 : 首 页 > 邵阳车表类

邵阳JWSH-T079A

2022-09-17 09:37:19
邵阳JWSH-T079A
详细介绍:

产品规格确认书


Approved   by
客户签名栏
客户签名
Project   Name&Item
产品名称及编号

JWSH-T079A

Working   Voltage
工作电压
2.4V~3.6V

备注说明(请选择)

LCD选择       ■单排

                    ■双排

                     □多排

Picture

产品样片

蓝牙芯片

Version
版本
V1.0
Remark
备注
1、规格书仅供参考!以实际样品功能为准!
2、以上资料如有更新我司将不另行通知,客户在应用本产品前请确认是否为Z新版本;
3、对于客户的不正确应用所带来的任何后果,我司不承担任何责任!
4、本公司可以根据客户要求对本产品进行改版或重新设计,详情请具体来电垂询!


一、Features ( 产品特性 )

★经典单双排表头产品

★四个按键:[MODE ]、[SET]、[RECOVERY]、[RESET];

★主要功能:时间、速度、次数、距离、心率(双心率输入)、卡路里、轮径选择、

卡路里计算公式选择、公英制选择、倒计.

★适用:踏步机、健身车、划船器等多种健身仪表。


二、I/O Mapping ( 脚位映射 )

A.    计次类

默认选项:上电后默认为SCAN模式; 4分钟自动关机; 唤醒不清零; 自动扫描心率;


名 称

脚位 (I/O)

说 明 (Description)

MODE

INB0----VDD

模式键

SET

INB1----VDD

设置键

RESET

INB2----VDD

复位键

RECOVERY

INB3----VDD

心率恢复

S1

IOA1---- IOA0

Bonding Option

LCD选擇

00

速度单排   

01

速度双排

S2

IOA2---- IOA0

10

次数单排

11

次数双排

S3

IOA3---- IOA0

Bonding Option

选择RPM模式

1

有RPM功能

0

无RPM功能

S4

IOA4---- IOA0

Bonding Option

选择PULSE模式

1

无PULSE

0

有PULSE

S5

IOA5---- IOA0

Bonding Option

选择CAL模式

0

0.14

1

0.07

S6

IOA6---- IOA0

Bonding Option

选择单双信号模式

1

双信号触发

0

单信号触发

S7

INB0---- IOA0

Bonding Option感应信号有否BI声

1

有BI声

0

无BI声

S8

INB1---- IOA0

Bonding Option

是否有SCAN模式

1

无SCAN模式

0

有SCAN模式

S9

INB2---- IOA0

Bonding Option

选择TC模式

1

没有TC

0

有TC

HSignal In

INB5

       输入

-

心率板信号输入脚

WHSignal In

INB6

输入

  -

无线心率板信号输入脚

Pulse En

IOA7

输出

-

心率板使能脚

Signal In

INB4

输入

-

信号输入脚

注:上电时,请不要按按键。


B.    计速类

默认选项:上电后默认为SCAN模式; 4分钟自动关机; 唤醒不清零; 自动扫描心率;


名 称

脚位 (I/O)

说 明 (Description)

MODE

INB0----VDD

模式键

SET

INB1----VDD

设置键

RESET

INB2----VDD

复位键

RECOVERY

INB3----VDD

心率恢复

S1

IOA1---- IOA0

Bonding Option

LCD选擇

00

速度单排   

01

速度双排

S2

IOA2---- IOA0

10

次数单排

11

次数双排

S3

IOA3---- IOA0

Bonding Option

选择ODO模式

1

没有ODO

0

有ODO 

S4

IOA4---- IOA0

Bonding Option

选择PULSE模式

1

没有PULSE

0

有PULSE

S5

IOA5---- IOA0

Bonding Option

选择CAL模式

0

0.38

1

1.25

S6

IOA6---- IOA0

Bonding Option

轮径(英寸)的选择

00

78

01

20

S7

INB0---- IOA0

10

26

11

83.5

S8

INB1---- IOA0

Bonding Option

是否有SCAN模式

1

无SCAN模式

0

有SCAN模式

S9

INB2---- IOA0

Bonding Option

选择K/M模式-

1

英制

0

公制

HSignal In

INB5

       输入

-

心率板信号输入脚

WHSignal In

INB6

输入

-

无线心率板信号输入脚

Pulse En

IOA7

输出

-

心率板使能脚

Signal In

INB4

输入

-

信号输入脚

注:上电时,请不要按按键。


三、Operation Function ( 功能说明 )

(一) 按键


[MODE]

按此键选择切换各项功能,长按此键2秒后恢复全显示并清除各项功能值(ODO和T.C不可清除)

[SET]

按此键设置功能值;按一次加1个设置单位值,设置时长按此键2秒可快跳;

[RESET]

在设置时按此键直接清除该功能值归零;长按此键2秒后恢复全显示并清除各项功能值(ODO和T.C不可清除)

[RECOVERY]

按此键执行心跳回复功能,在执行此功能时再按此键可跳出此功能;


 (二) 各模式功能:

1.       SCAN:功能扫描(每六秒扫描一个功能,被扫描到的功能符号闪动);

2.       TIME:记录运动时间(未设置时上数,当此功能被设置后执行倒数直至0后发出报警声BiBi 每秒2次15次,并可继续上数);

3.       SP(SPEED):显示当时运动时的速度(此功能不可设置);

4.       CNT(COUNT):记录运动时侦测到的感应数(未设置时上数,当此功能被设置后执行倒数直至0后发出警报声BiBi每秒2次15次,并可继续上数);

5.       T.C:在不断电情况下累计所有运动时的CNT值;(此功能不可设置);

6.       DIST:累计当时运动时所行进的路程;(未设置时上数,当此功能被设置后执行倒数直至0后发出警报声BiBi每秒2次15次,并可继续上数);

7.       ODO:在不断电情况下累计所有运动时行进的DIST值;(此功能不可设置);

8.       RPM:显示当时运动时侦测到的运动幅度(此功能不可设置);

9.       CAL:记录运动时所消耗的热量值(未设置时上数,当此功能被设置后执行倒数直至0后发出警报声BiBi每秒2次15次,并可继续上数);

10.    PULSE:显示侦测到的心跳脉率(未设置时显示当时及时值;设置后当侦测到的数值高于设置值+5以上时该数值闪动并发出报警声BiBiBiBi,直至该数值进入设置值+5范围内即正常显示);

NOTE:两块心率板同时接时,任一板有心率输入都会有心率数据显示,若同时有心率输入时,先有心率的那块板优先显示数据。

11.    STOP:此符号在没有感应信号送入时显示,送入感应信号后即消失;

12.    K:此符号为公里符号;在设置为公里时 SPEED、DIST、ODO此三项功能都需显示此符号;

13.    M:此符号为英里符号;在设置为英里时 SPEED、DIST、ODO此三项功能都需显示此符号;

14.    无任何动作,4分钟后关机并关闭LCD显示。

 

功能计算公式:

Speed(公制):轮径*3.1416*2.54*3600/100000=速度KM/H(60RPM时)

Speed(英制):轮径*3.1416*2.54*3600/100000/1.6=速度ML/H(60RPM时)

DIST: 速度*时间=距离KM(ML)

CAL: (SPEED)速度*CAL参数/60=卡路里(每秒消耗值)

CAL:(COUNT) COUNT*CAL参数=卡路里(每次消耗值)

 

每秒钟给入的信号不能超过15个,脉宽必须大于5ms。

 

功能值范围:

 

功能  

显示范围

计算单位

设置范围

设置单位

单位

Z小

Z大

Z小

Z大

TIME

00:00

99:59

00:01

01:00

99:00

01:00

mm:ss

SPEED

0.0  

999.9

0.1




KM/H    ML/H

COUNT

0

9999

1

10

9990

10

count

T.C

0

9999

1




count

DIST

0.00  

999.9

0.01

0.50  

99.50  

0.50  

KM/H    ML/H

ODO

0

9999

0.1




KM/H    ML/H

RPM

0

9999

1




rpm

CAL

0.0  

999.9

0.1

1.0

999.0

1.0

cal

PULSE

0

240

1

40

240

1

bmp

 

功能流程:

SPEED默认显示顺序:

通电开机全显示+蜂鸣声2秒,进入SCAN模式,每6秒按照

单排:TIMEàSPàDISTàODOàCALàPULSE切换模式.

双排:TIMEàDISTàCALàODOàPULSE切换模式

 

COUNT默认显示顺序:

通电开机全显示+蜂鸣声2秒,进入SCAN模式,每6秒按照

单排:TIMEàCNTàT.CàRPMàCALàPULSE切换模式.

双排:TIMEàT.CàCALàRPMàPULSE切换模式.

 

在SCAN任一模式下按MODE键即可退出SCAN状态,并进入当时的显示功能图面。退出SCAN模式后即可用SET和RESET键对TIME、DIST、CAL、PULSE和COUNT进行设置。

心跳恢复功能:

在有心跳信号进入的情况,按RECOVERY进入心跳恢复.启动心跳恢复后进入60秒倒计时,但倒数之零后显示结果,在心跳恢复过程中如果6秒钟无信号进入,则显示E-6.

心跳恢复显示对照表


F≥51

F-1

50≥F≥41

F-2

40≥F≥31

F-3

30≥F≥21

F-4

20≥F≥11

F-4

10≥F

F-6

备注:实际具体功能以实际样品为准.


四、  LCD Photo (LCD显示) 1/4Duty、1/3bias、3.0V

单排LCD:

单片机


单片机


 双排LCD:


单片机


SEG

---

---

---

---

0

1

2

3

4

5

6

7

8

---

---

---

---

---

---

PIN

1

2

3

4

5

6

7

8

9

10

11

12

13

14

15

16

17

18

19

COM3




C3

1F

1A

2F

2A

3F

3A

4F

4A

L5

C3






COM2



C2


1G

1B

2G

2B

3G

3B

4G

4B

L3


C2





COM1


C1



1E

1C

2E

2C

3E

3C

4E

4C

X4



C1



C1

COM0

C0




L6

1D


2D

X2

3D

3H

4D

X5




C0

C0


SEG

---

---

20

19

18

17

16

15

14

13

12

11

10

9

---

---

---

---

---

PIN

20

21

22

23

24

25

26

27

28

29

30

31

32

33

34

35

36

37

---

COM3


C3

L1

5E

5D

6E

6D

6H

7E

7D

7H

8E

8D

L4

C3




---

COM2

C2


X6

5G

5C

6G

6C


7G

7C


8G

8C

L2


C2



---

COM1



L7

5F

5B

6F

6B


7F

7B


8F

8B




C1


---

COM0



X1

RPM

5A

5H

6A


X3

7A


2H

8A





C0

---


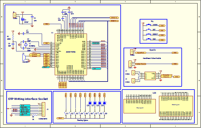
五、Application Circuit ( 应用线路图 )

7.png

注﹕晶振宜选用高精度,位置需尽量靠近IC.


六. Electrical Specification(电气特性)


8.png


七. PAD Assignment ( 绑定脚位图 )

9.png


10.png

上一篇:JWSH-T086A2022-09-17
下一篇:JWSH-T072A2022-09-17

最近浏览:

相关产品

相关新闻

联系我们

联系人:汪先生

手   机:13818541390

座   机:0512-36874515

网   址:www.ksxxdz.com

地   址:江苏省昆山市花桥镇花安路169号中寰广场写字楼935室

Copyright © 昆山歆轩电子有限公司 版权所有 苏ICP备18028124号 - 歆轩,心率,霍尔,蓝牙芯片,单片机,表头芯片,电子产品开发,无线心率,蓝牙产品,SH601