产品banner
您当前的位置 : 首 页 > 临汾其他类

临汾人体感应芯片BISS0001

2022-09-14 08:12:24
临汾人体感应芯片BISS0001
详细介绍:

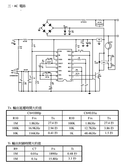
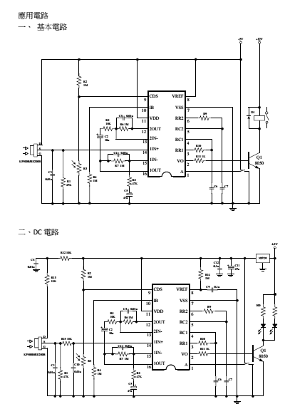
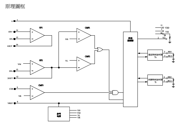
BISS0001红外腺传感信号处理器

概述:

BISS0001红外腺外腺傅感配套所设计之集成电路,可广泛应用于照明控制,马达

跟电磁阀控制,防盗警报器等领域·

特点:

·CMOS类比数位混合集成电路

·具有镯立的高输人阻抗运算放大器,可舆多重傅感器匹配·进行信号与处理

·双向鉴幅器可有效抑制干扰

内设延运时间定时器和封锁时间定时器,稳定可靠,调节范围广

·内置参考电源

·工作电源2.2-5.5V

·采用16脚DIP或SOP封装


霍尔

心率

心率

心率

歆轩

歆轩

歆轩




上一篇:人体感应模组 JW-PIR00022022-09-14
下一篇:人体感应模组-JW-PIR612AMini2022-09-13

相关产品

相关新闻

联系我们

联系人:汪先生

手   机:13818541390

座   机:0512-36874515

网   址:www.ksxxdz.com

地   址:江苏省昆山市花桥镇花安路169号中寰广场写字楼935室

Copyright © 昆山歆轩电子有限公司 版权所有 苏ICP备18028124号 - 歆轩,心率,霍尔,蓝牙芯片,单片机,表头芯片,电子产品开发,无线心率,蓝牙产品,SH601